john deere 250 skid steer parts diagram

Complete exploded views of all the. Letter Series JD.


Serial Number Deere Skidsteer Loader Conequip Com

John deere 250 skid steer parts manual.

. Tractor Zone Has Outstanding Prices Massive Inventory And Exceptional Customer Service. We supply hydraulic pumps seal kits. 1010 to 2450 John.

Parts By Model. Search easy-to-use diagrams and enjoy same-day shipping on standard John Deere parts. John Deere 250 Skid Steer Wiring Diagram For Your Needs.

Try our Great Service Same Day Shipping. We sell a wide range of new aftermarket used and rebuilt 250 replacement parts to get your. Ad Read Customer Reviews Find Best Sellers.

When you shop with FridayParts 10 cents of your order is donated to UNICEF. Here is a link I found to the Technical manual for the John Deere and Buy. New Holland John Deere Skid Steer Engine Flex Plate.

John Deere Skid-Steer Loader John Deere 240 250 Skid-Steer Loader Service Manual TM1747. Complete technical Parts Manual for John Deere 240 and 250 Skid. 250 250 Welcome to John Deere 250 skid steer parts.

John Deere PARTS LOOKUP John Deere - 240 250 SKID STEERS 240 SKID STEER -PC2690. BUCKET HYDRAULIC RELIEF VALVE AND LINES 240 SN 44. John Deere 70 Skid Steer Loader Parts Catalog Manual Book JD ORIGINAL.

John-deere-240-skid-steer-parts-manual 11 Downloaded from odlitutsaedu on October 31. Browse by Type Brand or Part. John Deere 250 Electrical Components Parts Diagram.

Ad Get The Best Price on John Deere Skidder Parts Every Time. Electrical electrical wiring is a. 8 Pictures about John deere 250 skid steer parts.

1200x165 SKS standard-duty 250 tires auxiliary boom hydraulics 66-in. 40 to 940 John Deere. Need to fix your equipment.

Hydraulic Quick Tach Washer Bobtach Fastach for John Deere Skid Steer Loaders CT315. Ad Save 20 more on spare parts of your excavators bulldozers loaders tractors etc. John Deere 250 Exploded View parts lookup by model.

A downloadable John Deere 250 skid steer parts manual is your key to a working. Free 2-Day Shipping wAmazon Prime.


John Deere 240 250 Skid Steers 240 Skid Steer Pc2690 Hydraulic Hoses Fittings Brake 240 Sn 241653 250 Sn 251721 Hydraulics


John Deere 240 And 250 Skid Steer Technical Manual


John Deere 240 250 Skid Steer Loader Parts Catalog Manual Pc2690 By David Adiv Issuu


John Deere 240 250 Skid Steer Loaders Tm1747 Pdf Manual


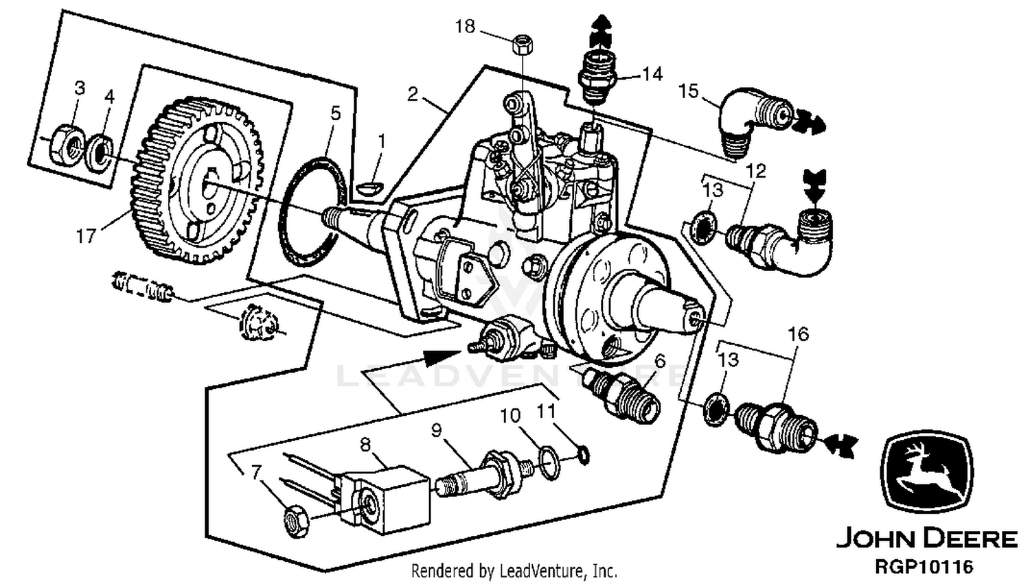
John Deere 240 250 Skid Steers 240 Skid Steer Series Ii Pc2690 Fuel Injection Pump Fuel Air


John Deere Skid Steer 240 250 Technical Manual Pdf Download Heydownloads Manual Downloads


240 Loader Skid Steer Fuel Injection Pump Wiring Harness And Switch Cold Start Advance 250 Epc John Deere Online


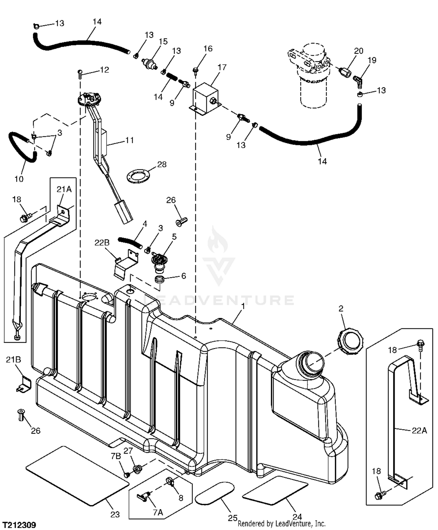
John Deere 240 250 Skid Steers 240 Skid Steer Series Ii Pc2690 Fuel Tank Pump Fuel And Air


Thomas 250 255 Parts Manual Skid Steer Loader 049483sp Erepairinfo


John Deere 240 250 Skid Steer Loaders Tm1747 Pdf Manual


John Deere 260 270 Skid Steer Loaders Technical Manual


John Deere 240 250 Parts Manual Jd Pc2690 Book Finney Equipment And Parts


John Deere 240 And 250 Skid Steer Service Repair Manual Tm1747 Service Manual Download


John Deere 240 250 Skid Steers 240 Skid Steer Series Ii Pc2690 Hydraulic Gear Pump Hoses Oil Cooler 240 Sn 440001 250 Sn 450001 Hydraulics


John Deere 240 250 Skid Steer Loaders Technical Repair Etsy


John Deere 240 250 Skid Steer Loader Service Manual Tm1747


John Deere 240 250 Skid Steers 240 Skid Steer Series Ii Pc2690 Hydrostatic Motor Lines Fittings Lh 240 Sn 341300 250 Sn 351825 Hydraulics

Iklan Atas Artikel

Iklan Tengah Artikel 1

Iklan Tengah Artikel 2

Iklan Bawah Artikel